Application:
Weather Proof Double Compression Glands are weather proof and dust proof (IP-66) which can be used in normal climatic condition. Also when protected by PVC shrouds it can be used in corrosive atmosphere.
These glands are available in different sizes and are suitable for all cables upto 1000 sq. mm. and control cables upto 61 cores.
Accessories:
PVC Shroud, Earth Tag, Stopping Plug, Reducer, Adaptor, etc. are available with specified dimensions in accordance to the Gland separately.
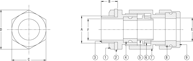
Fitting Sequence:
- Insert Part No. 9, 8 & 7 respectively on the Outer Sheath of the cable before exposing the Armour.
- After removing Outer Sheath of the cable, Insert Part No. 6 over the Exposed Armour.
- Size Armour length, Lift Armour & Insert Part No. 5 under the Armour, Taper Part Facing Inward Side, Squeeze Part No. 5 by pushing Part No. 6 towards it.
- Insert Part No. 4 & 3 on Inner Sheath, than tight Part No. 3 with Part No. 7 & Tight Part No. 9 with Part No. 7.
- Finally apply the full fitted Gland in the Enclosure with the entry thread provided, if the Enclosure does not have threaded entry than tight the Gland with the Part No. 1 provided.

 |
 |
 |
 |
 |
| 1. Check Nut |
2. Entry Seal Ring |
3. Nipple Entry Part |
4. Inner Seal Ring |
5. Armour Clamping
Cone |
 |
 |
 |
 |
|
| 6. Armour Clamping
Ring |
7. Main Gland
Body |
8. Outer Seal Ring |
9. Compression
Nut |
|
Suitable Cable
Overall Dia |
MCI
Code |
A
Nipple Entry |
B
Length |
C
(A/F) |
D
(A/C) |
E
Dia. |
F
Dia. |
| From |
To |
MCW Series |
Inches |
mm |
mm |
mm |
Ø mm |
Ø mm |
| 6.0 |
12.0 |
MCW 01SS |
3/4" |
13.0 |
21.0 |
24.0 |
13.0 |
14.5 |
| 12.0 |
16.5 |
MCW 01S |
3/4" |
15.0 |
25.0 |
29.0 |
18.0 |
14.5 |
| 16.5 |
18.5 |
MCW 01 |
3/4" |
15.0 |
27.5 |
31.5 |
19.0 |
14.5 |
| 16.5 |
18.5 |
MCW 01A |
1" |
15.0 |
27.5 |
31.5 |
19.0 |
14.5 |
| 18.5 |
20.0 |
MCW 02 |
1" |
15.0 |
30.0 |
34.5 |
21.0 |
18.0 |
| 18.5 |
20.0 |
MCW 02A |
3/4" |
15.0 |
30.0 |
34.5 |
21.0 |
14.5 |
| 20.0 |
23.0 |
MCW 03 |
1" |
15.0 |
31.5 |
36.0 |
23.5 |
19.0 |
| 23.0 |
26.0 |
MCW 04 |
1" |
15.0 |
36.0 |
41.5 |
27.0 |
20.5 |
| 23.0 |
26.0 |
MCW 04A |
1.1/4" |
15.0 |
36.0 |
41.5 |
27.0 |
22.0 |
| 26.0 |
30.0 |
MCW 05 |
1.1/4" |
15.0 |
41.0 |
47.0 |
31.0 |
25.5 |
| 26.0 |
30.0 |
MCW 05A |
1.1/2" |
15.0 |
41.0 |
47.0 |
31.0 |
27.0 |
| 30.0 |
33.0 |
MCW 06 |
1.1/2" |
15.0 |
47.0 |
54.0 |
34.5 |
31.0 |
| 30.0 |
33.0 |
MCW 06A |
1.1/4" |
15.0 |
47.0 |
54.0 |
34.5 |
27.0 |
| 33.0 |
37.0 |
MCW 07 |
1.1/2" |
15.0 |
50.0 |
57.0 |
38.0 |
32.0 |
| 37.0 |
41.0 |
MCW 08 |
2" |
15.0 |
56.0 |
64.0 |
42.5 |
38.5 |
| 41.0 |
46.0 |
MCW 09 |
2" |
15.0 |
59.0 |
67.0 |
47.0 |
40.0 |
| 46.0 |
52.0 |
MCW 010 |
2" |
20.0 |
67.0 |
77.0 |
53.0 |
44.0 |
| 46.0 |
52.0 |
MCW 010A |
2.1/2" |
20.0 |
67.0 |
77.0 |
53.0 |
48.0 |
| 52.0 |
54.0 |
MCW 011S |
2.1/2" |
20.0 |
74.0 |
85.0 |
57.0 |
51.0 |
| 54.0 |
61.0 |
MCW 011 |
2.1/2" |
20.0 |
80.0 |
92.0 |
62.0 |
56.5 |
| 61.0 |
66.0 |
MCW 012 |
3" |
20.0 |
85.0 |
98.0 |
68.0 |
64.0 |
| 66.0 |
72.0 |
MCW 013A |
3" |
20.0 |
90.0 |
103.0 |
73.0 |
67.0 |
| 72.0 |
78.0 |
MCW 013 |
3.1/4" |
20.0 |
99.0 |
113.0 |
80.0 |
74.0 |
| 78.0 |
84.0 |
MCW 014 |
3.1/2" |
20.0 |
105.0 |
121.0 |
85.0 |
78.0 |
| 84.0 |
94.0 |
MCW 015 |
4" |
20.0 |
114.0 |
132.0 |
98.0 |
90.5 |
| 94.0 |
104.0 |
MCW 016 |
4.1/2" |
20.0 |
130.0 |
149.0 |
106.0 |
101.0 |
Tolerance + 1mm |